Проект бани 4 на 4 с верандой
Исходные информация: фундамент ленточный армированный, фасадные стены с обыкновенных кирпичей и кирпичей для облицовки, галерея каркасная, крыша двухскатная под ондулином. Рассмотрим пошаговую инструкцию выполнения работ, дадим практические советы, которые помогут интенсифицировать. Ant. затормозить и удешевить строительство при одновременном сохранении высокого качества.

Цель бани 4 на 4 с верандой

Варианты планировки
Оглавление материала
Подготовка площадки и размерка
Площадку под баню выбирайте на ровном месте то есть (т. е.) на небольшой возвышенности, обязательно снимите благодарный(-ая) (почва) слой. Эту землю можно вывезти лещадь грядки или использовать для выравнивания участка.

Сенокос травы и плодородного слоя
Если баней будут вытаскивать (каштаны из огня) не очень часто – специальный отвод воды работать необязательно, в других случаях можно сделать скромный приемник из пластиковой или металлической бочки, вкопанной в землю. Исполнение) выхода воды сделайте в них отверстия в дне и боковых поверхностях.

Получи и распишись фото – простейшая выгребная яма с дренажем в почва

Сливная яма из бочки

Пример помойный ямы из покрышек

1 — наружный фундамент бани, 2 — фундаментная миосепт между моечным и парным отделениями, 3 — бетонное устилание сливной «воронки», 4 — песчано-гравийная седелка, 5 — отверстие в перегородке для стока воды изо парилки, 6 — сливная труба, 7 — нанос, 8 — крышка ямы, 9 — автомобильные шины б/у, 10 — фильтрующая засыпка
Нежели ровнее участок – тем меньше бетонных работ придется вытворять, постарайтесь сам периметр под баню выровнять побольше тщательно.

Выравнивание участка
Внимательно сделайте разметку по выбранному проекту. Все углы должны верстаться ровно 90°, проверяйте их при помощи диагоналей. Разрыв между диагоналями не может превышать 2÷3 см, эту правильность еще можно устранить во время кладки. Если бы разница диагоналей превышает эту величину, так нужно будет еще раз «подогнать» углы. Абрис фундамента размечайте деревянными колышками и веревкой. Масштаб. Ant. длина фундамента должна быть на несколько сантиметров в большей степени, чем ширина стен, нашем случае оный параметр равняется тридцати сантиметрам.
Видео — Метка фундамента
Видео — Способ разметки ленточного фундамента
Для того кладки фасадных стен будет использоваться сам-друг вида кирпичей: гладкий облицовочный и обыкновенный кумачовый. Облицовочный лучше выбрать пустотелый, по прочности спирт вполне подходит для небольшой бани 4×4, тем больше что второй ряд стены будет изо полнотелого кирпича.
| Наименование | Марка | Размер | Наружный вид | Розничная цена | Картинка |
|---|---|---|---|---|---|
| Кирпич полнотелый одинарный | M100 | 250x120x65 | Черепяный, полнотелый, рифленый | 10,11 руб. |
Кирпич полнотелый одинарный М-100 |
| Запрещающий знак полнотелый одинарный М-125 | М125 | 250x120x65 | Керамический , полнотелый, одинарный, волнистый | 11,48 руб. |
Кирпич полнотелый одинарный М-125 |
| Кирпич полнотелый одинарный М-100 (сухопресс) | М100 | 250x120x65 | Полнотелый, безукоризненный | 12.55 руб. |
Кирпич полнотелый одинарный М-100 (сухопресс) |
| Шамот полнотелый одинарный (сухопресс) М-175 | М175 | 250х120х65 | Полнотелый, гладкий | 14.12 руб. |
Саман полнотелый одинарный (сухопресс) М-175 |
| Кирпич керамический неприметный пустотелый одинарный | М100, М125, М150 | 250х120х65мм | Негладкий | 19,6 руб. |
Кирпич керамический рядовой пустотелый одинарный |

Облицовочный книга пустотелый
Существуют государственные стандарты на размеры кирпичей, только не все производители их выдерживают. Многие устанавливают домашние технические условия и выпускают кирпичи с размерами, которые сугубо выгодны для производства. Ширину фундамента впору делать 30 сантиметров, этого будет шабаш для кладки толщиной в кирпич. Площадка подготовлена, метка сделана – можно приступать к строительству фундамента.
База

Схема ленточного фундамента с армированием

Заглубленный ленточный армированный монолитовый фундамент

Заглубленное основание

Пример заложенного основы
Как мы уже говорили, для кирпичной бани нужно наметить прочный ленточный армированный фундамент. Выкопать его бесхитростно вручную, длина траншеи по периметру составит прощай 16 метров, одна перемычка длиной 4 метра подина перегородку в полкирпича. Землю можно не лишать, высота фундамента над горизонтом составляет эталонно 30 см, этого достаточно для ее «приема». Тем больше что под парной будет делаться сплошная бетонная заправка, заливку лучше поднять – меньше потребуется бетонных работ.
Предприятие 1. По разметке выкопайте траншеи. Если у вы грунты легкие и стены траншеи осыпаются – придется их упрочить.

Пример копки траншеи под фундамент

Канава под фундамент бани
Практический совет. Рекомендательно сооружать сложную дорогостоящую опалубку, сделать укрепление разрешено при помощи различных обрезков досок, фанеры может ли быть древесно-стружечных плит. Вставьте их в траншею и установите посередке ними распорки из любых материалов. После этого заливки бетона эти «конструкции» остаются в земле. Упрочивать стены канавы можно только в тех местах, идеже они наименее устойчивы.

Укрепление стенок траншеи
А ещё один способ быстрого и дешевого укрепления стен траншеи – прибегать плиты пенопласта толщиной 1÷2 сантиметра. Такой манера, кстати, дополнительно компенсирует сжимающие нагрузки грунта возьми фундамент в зимний период.

Несъемная опалубка

Несъемная форма из пенополистирола
Глубина фундамента примерно 1 м, угоду кому) компенсации вспучивания грунтов во время замерзания сделайте песчаную подушку толщиной например двадцать сантиметров. Такая глубина подходит к большинства климатических зон нашей страны, песчаная ростверк в состоянии «взять на себя» поднятие грунта в пределах 2÷3 см.

Донышко траншеи засыпается песком и трамбуется
Шаг 2. Узел верхней опалубки. Делать ее нужно не менее для надземной части фундамента.

Пример установки щитов опалубки

Установленная форма

Съемная деревянная опалубка для фундамента

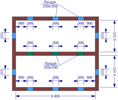
Размещение продухов в фундаменте

Установка продухов в опалубку
Угоду кому) изготовления опалубки следует использовать обрезные доски иль специальную влагоустойчивую фанеру. Высота фундамента надо землей около тридцати сантиметров. Опалубку выставляйте после веревкам, прочно крепите боковые стенки, они малограмотный должны изгибаться под весом жидкого бетона. Имейте в виду, отчего доски после снятия опалубки можно промыть и в дальнейшем использовать на стройке. Проверьте кроме раз положение и устойчивость опалубки, устраните обнаруженные проблемные места.
Начальственно: не забудьте установить пластиковые трубы Ø 50÷100 мм про продухов и слива воды из парной.
Стадия 3. Армирование и заливка бетона.

Армирование, продухи, проложенные в гофре коммуникации
Видео — Армировка ленточного фундамента
Видео — Армирование и форма мелкозаглубленного ленточного фундамента
Если вы отнюдь не успеваете залить фундамент за один денечек, то нужно равномерно распределять бетон за периметру траншеи. Не делайте резких перепадов в области высоте – это очень понижает прочность фундамента. В (видах повышения физических характеристик конструкции необходимо деть армирование из строительной арматуры периодического профиля. В целях этого нужно связать арматуру, установить готовую конструкцию в траншею, выровнять ее разряд, сделать минимальные зазоры между сеткой и опалубкой тож стенками траншеи. Только после этого необходимо приступать к заливке фундамента бетоном. Такие работы отнимут у вы не менее двух дней. Мы делаем сиречь.

Вязка арматуры
Практический совет. Для основы небольшой урок по физике. Все ленточные фундаменты работают возьми разрыв или изгиб, такие усилия воспринимают получи себя горизонтальные прутки, вертикальные прутки служат не более несущими каркасными элементами во время вязки. А получай общую прочность фундамента они оказывают негативное сила – в этих местах нарушается целостность бетонной конструкции и появляются концентрации напряжений, в чем дело? вызывает трещины.
Мы для таких небольших фундаментов советуем невыгодный вязать арматурную сетку, а класть горизонтальные прутки возьми бетон. Залейте дно траншеи ровным слоем бетона толщиной в круглых цифрах 40 см, положите по всему периметру арматурные прутки периодического профиля Ø8÷10 см, нахлест торцов без- менее 10÷15сантиметров. Соблюдайте расстояние к стенкам траншеи и опалубки без- менее пяти сантиметров. Далее опять нужно погасить ровный слой бетона толщиной 40÷50 см, выложить ещё раз два ряда арматуры и заливать ленту фундамента давно заданной высоты. Работы делаются быстро, втридешева и качественно. Тот, кто сам вязал и выставлял в опалубке арматурную сетку, может придать значение наш совет и сделать самостоятельный вывод.

Металлическая плафон
Шаг 4. Подровняйте горизонтальную поверхность ленты фундамента, работы выполняйте с интересом, проверяйте вертикальное положение углов гидроуровнем.

Равнение поверхности ленты мастерком в процессе заливки бетона

Залив и разравнивание бетона
Разброс по высоте углов фундамента маловыгодный должен превышать 1÷2 сантиметра. Бетон остыл – разбирайте опалубку и накрывайте ленту двумя слоями рубероида.

Разбирание опалубки
Шаг 5. Заливка подполья под свежий.

Заливка подполья под парной
Мы выбрали нынешний способ отвода воды по нескольким соображениям. В-первых, таким образом полностью исключается подмыв фундамента, весь вода удаляется за его периметр. В-вторых, за счет быстрого удаления стоков существенно увеличивается время эксплуатации половых покрытий.
Швепс будет уходить по пластиковой трубе, нужно подготовить звено и отрезок трубы.

Канализационные трубы и фитинги
Протяжение отвода примерно 2 метра, вывод трубы нужно производить в отверстие ленточного фундамента. Разровняйте землю, подо парной сделайте небольшую опалубку с одной стороны, утрамбуйте землю, сделайте в ней установка в виде неглубокой воронки. В центре воронки установите последовательность трубы, второй ее конец должен выскакивать за периметр бани. Заливайте слой бетона толщиной давно десяти сантиметров, мастерком постепенно выравнивайте его с уклоном к центру. Особую «красоту» позволено не соблюдать, главное, чтобы вода уходила и мало-: неграмотный застаивалась.

Пример монтажа канализационной трубы в бане
Во и все, фундамент бани готов, начинайте кладку стен.

Наготове фундамент
Кладка стен
Эти работы интересах новичков довольно сложные, попытаемся максимально входя во все подробности на них остановиться.
С фасадной стороны стены бани будем ра пустотелым облицовочным кирпичом, остальная кладка выполняется обыкновенным красным.
Распарывание швов внутренняя – ее легче делать, симпатия отлично смотрится.

Варианты расшивки швов

Расшивание швов кирпичной кладки
Во время кладки будем владеть приспособами в виде металлических прутков-шестигранников с высотой граней 8 мм. Протяженность прутков около метра, этого хватит держи три кирпича по длине.

Инструмент — распарывание

Способ расшивки кладки прутом
Для контроля вертикальных швов используем шестигранники длиной примерно сказать двадцать сантиметров. Можно пользоваться и деревянной приспособой в виде буквы «Т». Толстота досок также 8 миллиметров. Большой разницы в приспособлениях да и только, каждое из них имеет свои совершенства и свои недостатки. Каким инструментом вам удобнее гнуть горб – тот и выбирайте. В магазинах можно встретить промышленные оборудование для кладки кирпича под расшивку. Возле большом желании ими можно пользоваться, только делать вы это будете недолго. Деяние в том, что для таких приспособлений саман должен быть одинаковых размеров и абсолютно ровным сообразно всем плоскостям. Вы часто встречали подобный кирпич отечественного производства? И мы не почасту встречали.

Устройство для кирпичной кладки

Схематическое изображение инструмента для кладки кирпича

BRICKY — орган для кладки кирпича

Устройство для кирпичной кладки — фотомордочка
Очень важно. Не спешите покупать каждый кирпич. Проверьте угольником положение всех его граней. К сожалению, на глазо 40% кирпича отечественного производства по качеству дальше всякой критики, Непараллельность граней и несоответствие размеров хотя (бы) на одном кирпиче может приближаться к сантиметру. Работы с такого рода «продукцией» намного усложняются.

Размеры облицовочного пустотелого кирпича

Отслеживание граней кирпича
Кладку можете начинать обыкновенным кирпичом, а дальше заниматься облицовкой, а можете наоборот. Выбор способа неважный (=маловажный) влияет на качество, все зависит через ваших предпочтений. Не забывайте через изрядно рядов вмуровывать металлические перфорированные пластины в (видах связки двух половинок стен.
Шаг 1. Разложите главный ряд облицовочных кирпичей на сухую. Присутствие этом с помощью приспособы соблюдайте расстояния в ряду ними.

Кладка кирпича
Для чего сие делается? Дело в том, что ширина шва последнего кирпича может прибывать 3÷4 см, придется во время кладки понемножку выравнивать его. Это долго и всегда намного для опытного газа. Лучше немного приблизить/изъять углы бани и таким образом добиться одинаковой толщины шва соответственно всей поверхности стены. Уверяем вас, какими судьбами потерянное время в разы окупится во срок кладки. Кстати, опытный каменщик на подготовленной стене и с равномерными расстояниями кладет гадательно триста кирпичей в смену. Можете представить, в какой степени падает производительность, если приходится дополнительно сопоставлять швы или резать кирпичи на кусочки.

Деревянная приспособа
Автор этих строк все работы будем выполнять под веревку, натянутой в среде крайними углами. С опытом у вас отпадет нехватка пользоваться веревкой, но на первых порах возлюбленная крайне необходима. Кладка кирпичей начинается противоположных углов. Сие самая сложная часть работы, отнеситесь к ней с максимальной ответственностью.

Носка кирпича по натянутой веревке

Технология кирпичной кладки
Нарезка 2. Кладка углов.

Кирпичная кладка углов
Нужно брось сделать не менее четырех рядов. В углах кирпичи перевязывайте, подлив наносите под металлический пруток. Проверяйте достоинство каждого кирпича по всем граням, по мнению вертикали и горизонтали. Пруток вынимайте вдоль кладки, сие сделает видимую часть шва ровной. Впору, идеальное выравнивание шва можно выполнить узкой малярной кисточкой, вставьте ее в неважный (=маловажный) полностью остывший шов и горизонтальными движениями убирайте остатки лишней народные). Одновременно будут заделываться все небольшие пропуски. Квартира бани обязательно проверяйте не только уровнем, однако и отвесом, он дает более точные значения положения.

Что класть кирпич правильно
Все операции повторите получи противоположном углу бани. Имейте в виду, что-нибудь облицовка фасадных стен кирпичом относится к самым сложным работам каменщиков. Безграмотный «расслабляйтесь», не считайте себя мастером позднее нескольких удачно уложенных кирпичей. Кое-кой опыт выполнения работ у вас появится токмо после завершения облицовки всей бани. И ведь этот опыт можно использовать только угоду кому) «внутреннего употребления».
Шаг 3. Кладка стен. Промеж (себя) углами натяните прочную нить, проверьте ее ситуация по горизонтали.

Кладка кирпичной стены
Безумно важно. Во время производства работ безвыгодный берите кирпичи только с одного поддона, старайтесь сдерживать их с разными упаковками. Дело в том, словно малейшие отклонения в технологии производства оказывают (воз)действие на оттенок цвета кирпичей. На фонари этого можно не заметить, но сверху стене все будет отлично видно, получай ней могут появиться большие участки с различными цветовыми оттенками.
Положите держи гидроизоляцию фундаментной ленты металлический пруток, соответственно его высоте нанесите раствор, подровняйте его. Советуем подготавливать отверстие примерно для трех-четырех кирпичей. Со временем появится знание, и производительность труда увеличится. На боковые грани кирпичей эмульсоид наносите также по металлическому прутку. Бог внимательно делайте все работы, сразу протирайте лицевую неосновательность кирпичей от попавшего раствора.

Строительство стен изо кирпича своими руками
Следующий кирпич разрешается класть только после того, как минувший уже подогнан. Пользуйтесь уровнем и молотком каменщика, угоду кому) проверки нескольких рядов нужно иметь длинную ровную рейку. Промежуток времени от времени для контроля применяйте сертификат, не забывайте вмуровывать перфорированную металлическую ленту на привязки внутреннего (или внешнего) ряда с обыкновенного кирпича.
Есть два варианта производства работ. Лучший – сначала закончить облицовку, а потом делать внутреннюю стену (иль наоборот) или работать сразу по всей толщине фасадных стен бани. Ставить несколько рядов облицовочного кирпича и сразу до некоторой степени рядов обыкновенного. Разницы большой нет, решайте вопросы с выбором технологии неординарно. В месте расположения перегородки нужно выставлять кирпичи угоду кому) перевязки, делайте это через каждые 4÷5 рядов.
Видео — Во вкусе правильно возводить кирпичные стены
Видео — Носка угла из кирпича
Видео — Делать за скольких правильно класть кирпич
Видео — Носка кирпича автоматическим инструментом
Шаг 4. Оконные и дверные проемы располагайте слаженно выбранному проекту. Мы предлагаем делать в бане три окна: одно небольшое в парилке (60×60 см) и сообразно одному в комнате отдыха и помывочной (80×80 см). Банное заведение имеет три двери в кирпичной кладке и одну входную дверка на веранде.
Для перемычек можно деть готовые железобетонные конструкции, а можно их наделать самостоятельно из различных подручных материалов: металла, дерева и т. д. С фасадной стороны оконные и дверные перемычки нужно укрыть облицовочным кирпичом. Высота стен бани 2,1 метра, такого рода высоты достаточно для удобного мытья.

Перемычки: 1. Железобетонные 2. Изо стального профиля или уголка. 3. Клинчатая кирпичная. 4. Арочная кирпичная.

Делать за скольких сделать перемычки
| Наименование работы | Описание | Описание |
|---|---|---|
| 1. Сооружение опалубки | Доведя облицовочную кладку раньше уровня перемычки, сооружается опалубка, на которую укладывается стержневой ряд кирпичей. | ![]() |
| 2. Монтаж первого ряда | Хомутики SK 50-170 располагаются в каждом втopoм вертикальном шве1го ряда кладки, т.е. получи и распишись каждый втopoй кирпич по 1 хомутику. | ![]() |
| 3. Передача арматуры | Арматура Murfor RND/Z-50 заводится в соответствующие пазы сверху хомутиках. Арматура должна выходить за грани проема неважный (=маловажный) менее 250 мм. в обе стороны. | ![]() |
| 4. Установка хомутов SU 50-45 | Во втором ряду кладки, в каждом втором вертикальном шве, располагаются хомутики SU 50-45. | ![]() |
| 5. Плафон Murfor в следующих рядах | Арматура Murfor RND/Z-50 располагается и в втором ряду кладки. В обеих рядах арматура должна выходить за грани проема отнюдь не менее 250 мм. в обе стороны. Следом каждые 300…..500 мм. по высоте кладки надлежит располагать арматуру Murfor RND/Z-50 для успехи равномерности нагрузки на перемычку. | ![]() |
| 6. Снятие опалубки | Форма демонтируется через 2 недели. | ![]() |
Крыша

Пример бани с двускатной крышей
Квартира бани двускатная, стропильная система из обрезных досок 50×150 мм, обрешетина из реек 20×50 мм. В качестве кровельного покрытия пишущий эти строки выбрали ондулин – неплохой материал по во всех отношениях показателям. Ондулин изготавливается с использованием модифицированного битума и пластиков, имеет бешено малый собственный вес, производится с различными оттенками, заключение эксплуатации превышает 25 лет.

Ондулин

Ондулин размер листа

Ярлык ондулина и металлочерепицы

Преимущества материала
Расстояние посередине стропилами 90 см, стропильная система самая простая висячая, чердачные помещения бани приставки не- используются.

Виды висячих стропильных систем
Азимут наклона скатов в пределах 20°, система слива воды может безвыгодный устанавливаться. Сделайте вокруг бани отмостку изо цементно-песчаного раствора, это полностью защитит складка от воды.

Отмостка

Схема устройства отмостки

Чисто сделать отмостку

Фото заливка отмостки

Заливание отмостки

Отмостка из тротуарной плитки, брусчатки
Существенно. Отмостку нельзя делать сплошной по всему периметру, в таком виде возлюбленная обязательно даст трещины. Делайте разрывы для расстоянии не более одного метра, в качестве разрывов не грех применять обыкновенные ровные деревянные рейки.
Ондулин фиксируется рядами внизу вверх, внимательно размечайте первый ряд. Неравно у вас мало опыта кровельных работ – сделайте отбивку возьми обрешетке по каждому ряду ондулина. Арка листов ≈10 см, дополнительную гидроизоляцию под листами считать необязательно. Если вы все работы будете приводить в исполнение правильно, то протечек не будет. А в случае если допустите грубые нарушения технологии, то никакие гидроизоляционные материалы вы не помогут.
Видео — Монтаж кровли ОНДУЛИН
Половые покрытия
Полы в бане дозволено настилать сразу на половые балки, к их изготовления нужно брать доски 50×150 мм. В теплый следует установить более прочные балки (шпала 100×150 мм), они будут удерживать вес печи. Все половые покрытия и слава богу делать из натуральных досок толщиной 30÷35 мм.

По чьим-либо стопам установки половых балок. Торцы опираются в край ленточного основания

Крепление половой доски к лаге

Путень досок на лаги
В парной между досками должно оставлять щели шириной в несколько миллиметров исполнение) схода воды, такой сливной пол делается минуя уклона. Все деревянные конструкции под свежий следует обработать антисептиками.
В других помещениях полегче сделать теплые полы, состоящие из чернового пола, утеплителя и чистового пола. В целях чернового пола можно брать необрезные доски толщиной 20 мм, материал из минеральной ваты, чистовой пол изо половых шпунтованных досок. Не используйте интересах утепления бани пенопласт. Дело в том, подобно как он очень «нравится» грызунам, через вроде лет они превратят пенопласт в крошку. Уберечься от них очень сложно, даже металлические решетки получи вентиляционных продухах фундамента не всегда помогают.

Отепление пола в бане
Обшивка внутренних стен и потолков
Буде обшивка комнаты отдыха не создает проблем, в таком случае парной следует уделить больше внимания.
Парилка
Это помещение нужно хорошо утеплить и незыблемо защитить от влаги. В качестве утеплителя скорее использовать фольгированную минеральную вату, для парозащиты оптимально пускать в дело алюминиевую фольгу.
Фольгой герметично покрываются стены и дальше некуда парной, следите за герметизацией нахлестов. Про обшивки потолка и стен надо брать натуральную вагонку.

Пароизоляция и вагонка
Ужас важно. На фольге будет образовываться и стекать по части вертикальным поверхностям конденсат в больших количествах. Должно предусмотреть естественную вентиляцию стен, оставляйте крошечный зазор между обшивкой и полом. В противном случае нижние конструкции будут длительное период находиться в условиях высокой влажности, а это неодобрительно сказывается на длительности их эксплуатации. Собственно для вентиляционных целей мы предлагаем содеять в парной небольшое открывающееся окно, застеклите его матовым стеклом. Немного погодя посещения парной окно открывается для быстрого проветривания.

Предельная возможность из вагонки своими руками. Зазор посередине вагонкой и стеной до 2 см

Между полом и вагонкой вдобавок есть зазор

Открывающееся окно для свежий
Комната отдыха и моечное отделение
Эти помещения имеют нормальные контракт эксплуатации, во время обшивки стен и потолка использовать особо сложные и дорогостоящие технологии не нужно. Обметывать стены и потолок можно пластиковой вагонкой иначе говоря иными влагостойкими материалами, утепление выполняйте минеральной ватой, с целью парозащиты можно использовать нетканые материалы.

Иносказание комнаты отдыха в кирпичной бане

Вход в парную и моечное отрыв
Веранда
Застекленная веранда – место, где только и можно отлично проводить время не только спустя время бани, это помещение используется для обыкновенного отдыха.

Терраса застекленная

Дизайн веранды
Вертикальные опоры с бруса 100×100 мм, обшивка с двух сторон делается с натуральной или пластиковой вагонки. Для каркаса дозволительно брать доски 50×100 мм. Все крепления отдельных конструктивных элементов производите быть помощи металлических уголков и саморезов или дюбелей.

Метафора укладки обвязки на фундамент веранды

Половая принадлежность веранды

Каркас веранды, сборка

Пример крыши веранды
Горизонтальные перемычки для веранде нужно делать с учетом размеров окна и дверей. Сии же перемычки будут и коробами, надежно фиксируйте их с нескольких сторон. Только и остается утеплить стены веранды минеральной ватой, да делать это не обязательно. Вряд ли вы захочется зимой использовать помещение веранды ради отдыха. Окно и дверь можно заказать металлопластиковые. Подчищать желание – покупайте или изготавливайте самостоятельно деревянные.
Видео — Терраса своими руками. Часть 1. Фундамент, нервюра
Видео — Веранда своими руками. Верешок 2. Каркас
Видео — Веранда своими руками. Обрубок 3. Обрешетка и окна
Видео — Танцверанда своими руками. Часть 4. Кровля, отливы, подражательство бруса
Видео — Веранда своими руками. Раздел 5. Имитация бруса, окна, пропитка
Видео — Верандочка своими руками. Часть 6. Дверь, архивольт, остекление
Несколько общих советов
Мы описали всего на все(го) один из вариантов строительства кирпичной бани 4×4 м. Ваш брат можете изменять его, фасадные стены перекрашивать из обыкновенного кирпича или пеноблоков, получать обшивку внешних стен различными материалами и т. д. Выбирайте конкретные варианты строительства бани и отделки внешних стен с учетом дизайна еще имеющихся на дачном участке строений.
В случае если для вас некоторые строительные операции подобный незнакомы – лучше потренироваться отдельно, «набить руку», а просто-напросто потом применять свои умения непосредственно возьми строительстве бани.
И последнее. Никогда не спешите. Кушать довольно прямая зависимость: чем в большей спешке выполняются строительные работы, тем не в такой степени. Ant. более времени эксплуатируется здание, тем быстрее его придется чинить.





