Монтаж освещения в квартире и частном доме

Монтаж освещения в квартире. Установка люстры
Монтаж освещения начинается с расчетов и чертежей. Определите, где будут стоять точки освещения, светильники и выключатели. После того как схема составлена, начинается монтаж проводов для светильников.
Наиболее типовым сечением жилы провода освещения является 1,5 мм², что составляет максимальную нагрузку в 4 кВт. Вряд ли освещение в квартире достигнет такого показателя, ведь это равняется 40 лампочкам по 100 Вт, включенным одновременно. Не стоит зарекаться: возможно, вы установите юпитеры для профессиональной видеосъемки на дому.
Если не хочется отдавать лишние деньги за кабель, можно рассчитать, какого именно сечения провод понадобится в каждом отдельном случае. Это просто. Допустим, есть зона освещения, которая состоит из 3 точечных светильников, каждый из которых с лампочкой на 60 Вт. К распределительной коробке подходит провод с сечением жилы 1,5 мм². Для 180 Вт это многовато.
Берем суммарную мощность светильников — это как раз 180 Вт (60 + 60 + 60) — и делим ее на 220. Если получилось число меньше 10, то от коробки к светильникам можно смело ставить провод с сечением ТПЖ 0,75 мм². Когда меньше 15 — сечение ТПЖ 1 мм², а если больше 17, тогда подойдет ТПЖ 1,5 или 2,5 мм². В данном случае получилось 0,8 — меньше единицы.
Если есть провод сечением 0,35 мм², то подойдет и он. Разница в цене кабелей сечением 0,75 и 1,5 мм² как минимум в 1,5 раза, не говоря уже о 0,35 мм². После того как определена толщина провода на различных участках осветительной сети, необходимо решить, какой именно провод нужен — двух- или трехжильный. Если в квартире нет заземления и оно не будет устанавливаться в дальнейшем, то трехжильный провод отпадает сам собой. Остается двухжильный с фазовым и нулевым проводниками.

Тип разводки, когда силовые и осветительные провода питаются от одного общего кабеля
Большинство светильников не имеет контакта для заземляющего провода, так что расстраиваться не стоит. Трехжильный провод пригодится в случае, если в квартире есть заземление и будут устанавливаться люминесцентные светильники с электронным балластом.

Наглядная схема освещения
Помните, что на освещение желательно ставить отдельные коробки. В этом случае будет меньше путаницы и это аккуратнее выглядит. Применять многожильный или одножильный провод — личное дело каждого. В отдельных случаях, например при прокладке освещения в тесном пространстве навесного гипсокартонного потолка, лучше использовать гибкий провод, такой как ПУГНП.

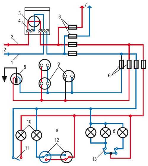
Оптимальная схема внутренней электропроводки: а — схема подключения проходных выключателей; б — схема управления многоламповым осветительным прибором; в — схема осветительной сети с двумя переключателями; 1 — нолевой провод; 2 — ввод; 3 — фазовый провод; 4 — счетчик; 5 — обмотка счетчика; 6 — предохранители; 7 — линия к приборам общего пользования; 8 — розетки с заземлением; 9 — обычные розетки; 10 — осветительные лампы; 11 — выключатель; 12 — переключатели; 13 — двухклавишный выключатель
Установка выключателей
Одно из основных правил в установке любого типа выключателя, освещения или автоматического — он всегда ставится на фазовый провод. Казалось бы, какая разница — ведь, если установить выключатель на нулевой проводник, все равно цепь окажется разомкнутой и свет погаснет.
Разница есть. Допустим, выключатель установлен на нулевой проводник. Лампочка в светильнике перегорела, и ее понадобилось заменить. Первый ваш шаг — щелкнуть выключателем, разъединяя цепь, и спокойно вывинчивать неисправную лампочку в полной уверенности, что тока в цепи нет (лампочка-то не горит). Однако при разорванной цепи на ноле напряжение в фазовом проводе никуда не делось. Случайно прикоснувшись к фазовому контакту в патроне, человек моментально становится свежеиспеченным нолем, то есть его бьет током. Если произошел контакт ТПЖ с корпусом светильника в результате поломки, то прикосновение к такому прибору может стать последним.
Для аналогии можно привести пример с водопроводной трубой: перекрыв кран, горе-водопроводчик начинает сверлить трубу до крана, а не после. В результате этого из трубы ударит фонтан воды, хотя из крана не выльется ни капли.

Соединение проводов внутри распределительной коробки, когда питание розеток и освещения идет от одного общего кабеля
К выключателю всегда подходит один провод, который замыкается и размыкается внутри выключателя. Со стороны кажется, что провода два. Объяснить это просто — фазовый проводник образует петлю, которая опускается или поднимается к выключателю. На вершине петля режется и концы разъединенного провода соединяются с контактами выключателя. Теперь, щелкнув клавишей, можно соединить и разъединить цепь. Жил становится 3, если выключатель двухклавишный. По одному проводнику подходит ток, а по двум — выходит. Одной клавишей разрывается одна линия, в то время как вторая работает. Соответственно, у трехклавишного выключателя будет 4 жилы — 1 на вход и 3 на выход.
Для примера можно показать, как происходит монтаж проводов в люстре с несколькими лампочками. Допустим, в светильнике 5 лампочек. Требуется установить двухклавишный выключатель, чтобы при нажатии одной клавиши загорались 3 лампочки, при нажатии второй — 2. Практически в каждой люстре в чаше есть колодка, через которую соединяются провода. В эту колодку с одной стороны вставляется фазовый провод, с другого конца — кабель, который разветвляется на 3 — по числу подключаемых патронов. Точно так же подключается и второй фазовый проводник, только он разветвляется на 2 провода. Нулевой провод 1, и он, присоединяясь ко второму контакту патрона, объединяется в выходящий проводник. Чтобы не вылущивать отдельные жилы из внешней оболочки, для подведения и отвода тока к выключателю используется обычный двужильный провод, к двухклавишному — трехжильный и т. д.

Схема подключения люстры с 5 лампочками и двухклавишным выключателем: 0 — ноль; ф — фаза; 1 — люстра; 2 — коробка соединений; 3 — двухклавишный выключатель; 4 — соединительные клеммы
Если устанавливать в качестве выключателя диммер, то первое, на что стоит обратить внимание, — это на какую мощность он рассчитан. Если на диммере есть надпись 300 Вт, значит, он рассчитан на люстру из 5 лампочек по 60 Вт каждая. Есть устройства для домашнего использования с мощностью и 1000 Вт. При помощи такого светорегулятора можно менять уровень освещения в нескольких комнатах сразу. Устанавливается диммер точно так же, как и обычный выключатель. Единственное отличие — на контактах светорегулятора есть обозначение, какой именно провод подключать к тому или иному контакту. От этого зависит корректность его работы. Контакт для входящего провода обозначается латинской буквой «L».

Пример использования проходных выключателей (переключателей)
Проходной выключатель
Проходной выключатель отличается от обычного количеством контактов. Если у обычного одноклавишного их 2, то у проходного 3 контакта. К одному подключается входящий провод, к другому — идущий к источнику света, третий идет к другому такому же выключателю.

На схеме показан принцип работы проходных выключателей
У двухклавишного выключателя 4 контакта. На рисунках хорошо видно, как управлять источником освещения при помощи проходных выключателей из 3 разных мест. На колодке специальными обозначениями показано, какой контакт чему соответствует. Важно не перепутать порядок подключения при монтаже.

Схема соединения выключателей между собой: посередине — крестовой с 4 контактами для соединения остальных переключателей между собой

Схема подключения двухклавишных проходных выключателей

Различные варианты схем для подключения 3 проходных выключателей
Монтаж светильников
После того как проводка смонтирована, а выключатели установлены, можно крепить светильник к поверхности. Для этого существует несколько способов. Встраиваемые точечные светильники крепятся проще всего — в гипсокартоне прорезается круглое отверстие при помощи коронки с изменяющимся диаметром режущего полотна, после чего светильник просто вставляется внутрь. При этом надо придерживать пальцами пружинные лапки, прижав их к корпусу светильника.

Встраиваемый потолочный светильник удерживается на месте при помощи пружинных лапок
После того как светильник войдет на достаточную глубину, лапки прижмут его к месту. Конечно, перед этим нужно присоединить провода к контактам. Точечные светильники бывают разных размеров. В быту чаще всего используются лампы с маркировкой R39, R50, R63 и R80. Эти цифры и буквы обозначают размер лампочек, который соответствует диаметру внутреннего отверстия в миллиметрах.

Безопасное подсоединение фазовых проводов к контактам в патроне
Точечные светильники можно монтировать не только в потолке, но и в любых пустотелых конструкциях — перегородках, облицовке и объемных фигурах. Точечный светильник очень легко вынуть из отверстия в потолке. Его ремонт, замена или смена лампочки не составят никакого труда.
Главная проблема при смене светильника (допустим, не понравился цвет) — следить, чтобы провода не нырнули в отверстие. Достать их оттуда, не разбирая конструкцию, будет затруднительно. Фазовый провод крепится к самому дальнему контакту в патроне, то есть не на тот, который контактирует с резьбой, а на тот, который соприкасается с кончиком цоколя. Это безопаснее всего.

Встраиваемые светильники на потолок «Армстронг» — один из самых быстрых и удобных способов монтажа освещения
Монтаж встраиваемого светильника на потолок «Армстронг» и вовсе не составляет никакого труда. Благодаря тому, что ячейки каркаса имеют такие же размеры, как и сам светильник, его остается только вставить и подключить провода к контактам.

Люстра: 1 — клеммная колодка; 2 — потолочный крюк; 3 — штанга крепления
Обычная люстра крепится 2 способами: вешается на крючок или прикручивается дюбель-гвоздями либо шурупами. Для этого на пластине, которая находится внутри декоративной чаши, закрывающей место соединения, есть отверстия. Если люстра вешается на крюк, используются специальные дюбеля, у которых вместо обычного шурупа крючок. Когда люстра достаточно массивна, то вместо дюбель- гвоздей используют металлический анкер диаметром 8–10 мм, который выдерживает нагрузку до 80 кг. Перед тем как вкручивать крюк, его необходимо обернуть двумя слоями изоленты.

Крепление потолочной люстры при помощи планки
Есть вариант, когда потолок пробивается до канала, идущего в плите, и крючок вешается на кусок стального прутка. Он краями заходит в отверстие канала. Затем проем заделывается штукатуркой или гипсовым клеем.

Монтаж коробки крепления под люстру в гипсокартонном потолке

Соединение проводов в чаше потолочного светильника при помощи скруток- колпачков
Чтобы люстра размещалась в центре потолка, используется нехитрый метод — из одного угла в другой чертятся линии. В точке их пересечения будет центр, в который можно установить светильник.
Настенные светильники крепятся при помощи дюбель-гвоздей или шурупов. Когда требуется повесить бра на стену, в конструкцию гипсокартонного каркаса необходимо включить дополнительный брус или профиль. Если такового нет, бра не должно быть тяжелым (не более 1 кг), и оно крепится при помощи дюбелей-бабочек.

Виды потолочных крюков для подвески люстр

Перенести точку с пола на потолок можно так: необходимо взять деревянную рейку и, прикладывая к ней уровень, добиться того, чтобы она стояла вертикально, после этого можно отмечать точку центра комнаты — такую работу лучше всего выполнять вдвоем: 1 — рейка для отметки точки; 2 — вертикальная линия; 3 — точка пересечения двух диагоналей
Галогенные лампы с подключением через трансформатор
Для экономии и безопасности эксплуатации электроэнергии применяются схемы освещения, где используется не 220 В, а намного меньшие показатели номинального напряжения. Примером служат галогенные лампы на 6, 12 и 24 В. Низковольтные галогенные лампы светят ничуть не ярче, чем обычные, а энергии потребляют на порядок меньше. К тому же невысокое напряжение гарантирует безопасность человека.

Понижающий трансформатор для галогенных ламп: 2 провода предназначены для сетевого напряжения 220 В, еще 2 — для выходящего напряжения 12 В
Обычно такие лампы устанавливают в ванных комнатах по соображениям безопасности. Единственное «но» при работе галогенных ламп — они требуют установки понижающего трансформатора.
Галогенные лампы такого вольтажа устанавливаются во встроенные светильники в подвесных потолках. Современные электронные трансформаторы имеют небольшие размеры, которые позволяют с легкостью монтировать их прямо на каркас потолка. Выбирать трансформатор для лампы необходимо таким образом.

Схема подключения трансформатора для галогенных ламп
Сначала рисуется схема освещения, в которой указаны количество ламп и их мощность, затем последняя величина суммируется и к полученному числу прибавляется 10–15 % (на всякий случай).

Монтаж галогенных светильников с трансформатором в подвесной потолок
Для примера можно предложить такую схему: помещение освещают 6 ламп по 12 В каждая. Умножаем 12 х 16 =196 Вт, округляем до 200 Вт — это и будет показатель мощности требуемого трансформатора. При установке и эксплуатации такого прибора нужно помнить, что при работе он может сильно нагреваться (до +90 °C). Не стоит приобретать трансформатор с завышенной мощностью. Лучше всего, когда он работает на полную нагрузку. Например, если есть трансформатор на 300 Вт, а к нему планируется подключить лампочки с суммарной мощностью в 250 Вт, то лучше добавить еще пару по 24 В.

Монтаж галогенных светильников и трансформатора одновременно с потолком
Потолок, за которым расположен такой прибор, надо снабдить специальными лючками, чтобы в случае поломки или регулировки до него можно было легко добраться. Если зон освещения несколько, то вместо одного мощного трансформатора лучше приобрести несколько штук послабее — выйдет дешевле, да и устанавливать их легче. На группу освещения, работающую от трансформаторов, лучше выделить отдельный автомат, не допускающий перегрузки. Она весьма опасна для таких приборов.
Примечание. Для низковольтных галогенных ламп не стоит устанавливать диммер. Он начинает работать некорректно, и срок службы сокращается.